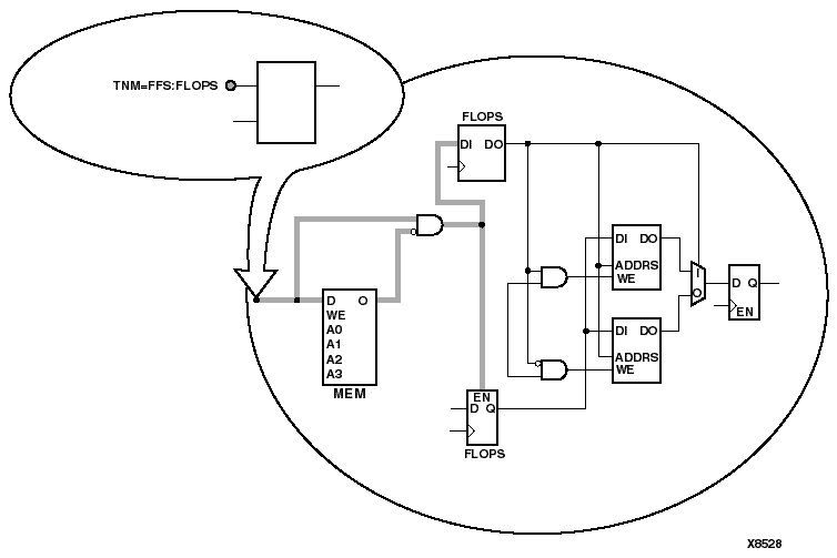
Figure 6.4 TNM Placed on a Macro Pin